EMERGENCY LED 5W IP65 Nouzové svítidlo

Nouzové, nástěnné svítidlo, trvalé svícení nebo svícení jen při stavu nouze, výdrž baterie 3h, těleso plast bílá, difuzor plast prismatický, LED 5W, 230V, IP65, IK08, tř.1, rozměry 76x106x345mm, viditelnost 25m

Nouzové  

Nouzové, nástěnné svítidlo, trvalé svícení nebo svícení jen při stavu nouze, výdrž baterie 3h, těleso plast bílá, difuzor plast prismatický, LED 5W, 230V, IP65, IK08, tř.1, rozměry 76x106x345mm, viditelnost 25m

Použití Nouzové osvětlení únikových prostor obchodních domů, průmyslových podniků, administrativních budov.
Výhodné vlastnosti LED světelné zdroje se vyznačují nízkou spotřebou elektrické energie, nízkou teplotou, dlouhou dobou života světelného zdroje, svítidlo disponuje záložní baterii při výpadku proudu, výdrž 3h, nabíjecí čas baterie 24h
Popis Základna plast, difuzor plast.
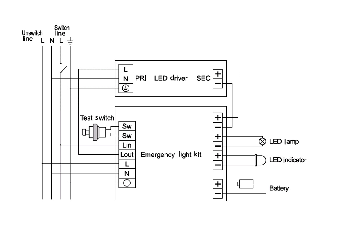
Napájení 230V/50Hz
Energeticky úsporný LED světelný zdroj, svítivost LED cca 60lm/W,
Způsob připojení svítidla Přívodní kabel se zapojí do svorkovnice.
Krytí IP65 - Odolnost proti proudu vody s tlakem 100kN/m2, přicházející ze všech stran - Venkovní prostory vystavené dešti, mokré a prašné průmyslové prostory. V koupelnách nejméně zóna 1
Třída zařízení I, Pro ochranu neživých částí je použit ochranný vodič PE.
Rozměry 76x106x345mm. Uváděné rozměry jsou pouze informativní a výrobce je může změnit.
Materiál těleso Plast PCB - polykarbonát
Povrchová úprava tělesa Bílá
Materiál difusoru Plast prismatické
Vypínač součástí výrobku NE.
Regulace - stmívání - součástí výrobku NE.
Možnost přídavné regulace - stmívání NE, tento LED světelný zdroj, nelze stmívat běžnými žárovkovými, ani jinými stmívači.
Podmínka montážní polohy Nástěnná montáž..
Úspora Zařízení šetří až 80% elektrické energie v porovnání s klasickou žárovkou.
Ke zboží NENÍ potřebné další příslušenství Světelný zdroj JE součástí balení.
Záruka 24 měsíců.
Obvyklá dodací lhůta 3 týdny.
Nouzové svítidlo
EMERGENCY LED 5W IP65
2 varianty
od 1 436,15 Kč
2 varianty
od 1 637,01 Kč
Montážní rám pro vestavení nouzového svítidla
EMERGENCY MONTÁŽNÍ RÁM
488,84 Kč
Nouzové svítidlo
EMERGENCY R 3W
1 603,13 Kč
Nouzové svítidlo
EMERGENCY SQ 3W
1 603,13 Kč
Nouzové svítidlo do 3F lišty
EMERGENCY 2x1W 3F
2 varianty
od 2 473,24 Kč

Související produkty

2 varianty
od 1 637,01 Kč
Nouzové svítidlo
DANGE LED 3W NOUZOVÉ
1 230,45 Kč
Nouzové svítidlo
GAHENA 3W, IP65
470,09 Kč
733,38 Kč
Nouzové svítidlo
LAMIN 3W IP65
981,07 Kč
Nouzové svítidlo
ANDY nouzové 3W
1 110,05 Kč
Nouzové svítidlo
ALTENA 4W, IP65, NOUZOVÉ
837,44 Kč

Na veškeré zboží je vydáno prohlášení o shodě v souladu s nařízením vlády 17/2003 Sb

Svítidla a jejich příslušenství jsou elektrotechnické výrobky a podmínky jejich instalace se řídí příslušnými harmonizovanými normami ČSN-EN.

Vyhodnocení možnosti aplikace a provedení instalace musí provádět osoba s elektrotechnickou kvalifikací a platnými oprávněními.

Neneseme odpovědnost za škody způsobené neodbornou instalací.